Ako su petlje strujnih krugova (petlje osiguranih strujnih kola) zaštićene uređajima za prekostrujnu zaštitu (osiguračima), onda je neophodno mjeriti impedansu petlje kvara ZS. Impedansa petlje kvara treba biti dovoljno mala da bi potencijalna struja kvara If pobudila zaštitni uređaj u predviđenom vremenskom intervalu u slučaju kvara na potrošaču.
Impedansa petlje kvara u TN-sistemu ( sistemu nulovanja ) se sastoji od sledećih parcijalnih otpornosti:

Impedansa petlje kvara u TT-sistemu ( zaštitno uzemljenje ) sastoji se od sledećih parcijalnih otpornosti:

Rezultat merenja se dobija na sledeći način:

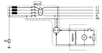
Instrument je povezan na mrežni napon (između faznih i zaštitnih provodnika) i omogućava snažno opterećenje mreže u kratkom vremenskom periodu.
Instrumenti novije genetracije, pored impedanse petlje kvara, istovremeno prikazuju i eventualnu struju kratkog spoja Ipsc, koja se računa na sledeći način:

Gdje je:
Instrument Eurotest 61557 je visoko profesionalni multifunkcionalni mjerni instrument, namjenjen mjerenju svih električnih veličina prema standardu EN 61557, kao i za druga korisna mjerenja, za utvrđivanje kvarova, te traženje i lociranje provodnika u električnim instalacijama itd
Instrument Eurotest 61557 ima ugrađen poseban univerzalni sistem za memorisanje rezultata merenja, što je još jedna njegova prednost. Uz instrument dolazi softver za PC, koji služi za jednostavan prenos rezultata merenja i drugih podataka između računara i instrumenta, kao i za izradu završnog mernog izvještaja.